
企业名称:郑州午夜APP下载网站电子科技有限公司
全国服务电话:400-888-1391
电话:0371-5678 0788
业务:188 3719 7719
技术:186 3718 5623
Q Q: 1428 9459 36
邮箱:18037175525@qq.com
地址:郑州市高新区合欢街与红瑞路郑州北斗产业园C9号楼4层D02号

规格说明
型号:JDYHF-B707
安装: 在阀门箱内或直接埋入土壤。
解码器的尺寸:
长:107毫米 宽:80毫米 高:55毫米
电磁阀控制数:
1或2个电磁阀,共同开关
FD-202: 1 或 2 个单独控制的独立电磁阀,或电磁阀对。
控制器埋藏在地下或阀门井内,景观效果同时降低成本。
系统容易扩展,只需简单地将解码器接入线路即可。
安装时电线使用量比常规的控制器系统节省80%
电子组件完全密封保护,防止外界不良条件的影响。
安装简便:两线系统安装过程中可以随时接入并保存。
地下的“闸箱”减少了动物和人为的破坏。
地址预置,避免了由于地址变化所造成的混乱。
使用JDYHF-B707解码器编程器(DPU),在必要的时候可以重新设置解码器地址。

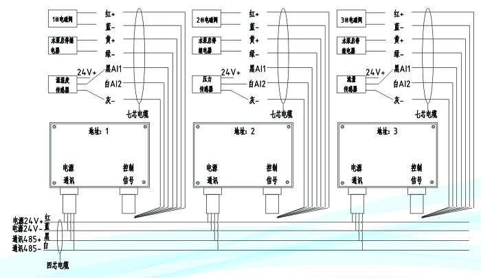
接线流程图
